设为首页 企业邮局 销售网络
 欢迎访问浙江中正阀门有限公司网站,主要产品有电站阀、闸阀、截止阀、止回阀、球阀、蝶阀、及非标阀门等几十个品种,敬请光顾!
 
    产品参数
    产品图片
 
 · 电站阀门系列
 
 
 · 通用阀门系列
 
 
 · 美标阀门系列
 
 

国标旋启式止回阀

型号

配管法兰

公称压力

PN(MPa)

法兰密封 产品型号

JB/T79

GB/T9113

HG20592~

20635

1.6 凸面 H44H-16C H44W-16R H44W-16P H44Y-16I
2.5 H44H-25 H44W-25R H44W-25P H44Y-25I
4.0

凹凸面

环连接

H44H-40 H44W-40R H44W-40P H44Y-40I
6.4 H44H-64 H44W-64R H44W-64P H44Y-64I
10.0 H44H-100 - H44W-100P H44Y-100I
16.0 H44H-160 - H44W-160P H44Y-160I
25.0 H44H-250 - H44W-250P H44Y-250I

 

用途

  国标旋启式止回阀适用于公称PN1.6~25.0MPa,工作温度-29~550℃的石油、化工、制药、化肥电力行业等各种工况的管路上。适用介质为:水、油品、蒸气、酸性介质等。

标准与规范

设计与制造 结构长度 压国温度等级 连接法兰 试验与检验
GB/T12236 GB/T12221

GB/T9131

JB/T74

HG20604

GB/T9113

JB/T79

HG20592~20635

GB/T13927

JB/T9093

性能规范

公称压力

(MPa)

试验压力(MPa) 适用温度(℃) 适用介质
强度试验 密封试验 WCB Cr5Mo 1Cr18NiMo2Ti 1Cr18Ni9Ti
1.6 2.4 1.8 ≤425 ≤550 ≤200 ≤200

水、油品、蒸汽、

酸性介质

2.5 3.8 2.8
4.0 6.0 4.4
6.4 9.6 7.1
10.0 15.0 11.0 /
16.0 24.0 17.6
25.0 37.5 27.5

 

结构特点

  1. 产品设计制造按国家标准GB/T12236,结构合理,密封可靠,性能优良。
  2. 阀瓣、阀座密封面采用铁基合金或司太立(stellite)钴基硬质合金堆焊而成,耐磨、耐高温、耐腐蚀、抗擦伤性能好、使用寿命长。
  3. 可采用各种配管法兰标准及法兰密封面型式,满足各种工程需要和用户要求。
  4. 阀体材料品种齐全,填料、垫片可根据实际工况或用户要求便是选配,能适用于各种压力、温度及介质工况。
  5. 阀瓣围绕阀座外的销旋转,减少关闭时发生猛烈冲击。
  6. 销轴与阀瓣连接采用内装式结构,不丰在外泄漏点,使用更可靠。

主要零件材料

零件名称 材料牌号
阀体 WCB ZGCr5Mo ZG1Cr18Ni9Ti ZG1Cr18Ni12Mo2Ti
阀盖 WCB ZGCr5Mo ZG1Cr18Ni9Ti ZG1Cr18Ni12Mo2Ti
阀瓣 WCB ZGCr5Mo ZG1Cr18Ni9Ti ZG1Cr18Ni12Mo2Ti
摇杆 WCB ZGCr5Mo ZG1Cr18Ni9Ti ZG1Cr18Ni12Mo2Ti
阀座 25 1Cr18Ni9Ti 1Cr18Ni9Ti 1Cr18Ni12Mo2Ti
销轴 1Cr17Ni2 1Cr18Ni9Ti 1Cr18Ni12Mo2Ti
密封环、垫片 包覆垫 1Cr18Ni9Ti 1Cr18Ni12Mo2Ti

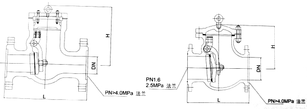
结构简图

产品规格和外形尺寸

型号

公称压力

(MPa)

尺寸(mm)
DN 50 65 80 100 125 150 200 250 300 350 400 500
H41H/Y-16C

H41W/Y-16P/R

H41/Y-16I

1.6 L 230 290 310 350 400 480 550 650 750 850 950 1150
H 165 173 210 240 265 270 312 355 430 518 560 590
H41H/Y-25

H41W/Y-25P/R

H41/Y-25I

2.5 L 230 290 310 350 400 480 550 650 750 850 950 1150
H 165 173 210 240 265 270 312 355 430 518 560 590
H41H/Y-40

H41W/Y-40P/R

H41/Y-40I

4.0 L 230 290 310 350 400 480 550 650 750 850 950 1150
H 165 173 210 240 265 270 312 355 430 518 560 590
H41H/Y-64

H41W/Y-64P/R

H41/Y-64I

6.4 L 300 340 380 430 500 550 650 775 900 1025 1150 1400
H 177 197 212 248 296 330 385 445 474 514 568 620
H41H/Y-100

H41W/Y-100P/R

H41/Y-100I

10.0 L 300 340 380 430 500 550 650 775 900      
H 210 230 255 295 330 365 420 505 585      
H41H/Y-160

H41W/Y-160P/R

H41/Y-160I

16.0 L 300 340 380 430 500 550 650 750        
H 220 260 270 330 390 428 508 514        
H41H/Y-250

H41W/Y-250P/R

H41/Y-250I

25.0 L 368 419 470 546 673 705 832 991        
H 320 345 385 406 534 560 618 677        
 
2006-2007 版权所有-浙江中正阀门有限公司Copyright©ZHEJIANG ZhongZheng VALVE CO.,LTD.All Right Reserved.
电话:0577-67375908 67375255 传真:0577-67973776 Email:china@zjzz-valve.com 浙ICP备09028919号