|
 |
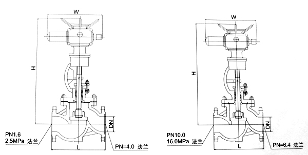
法兰连接电动截止阀 |
|
 |
| 产品规格和外形尺寸 |
| 型号 |
公称压力
(MPa) |
尺寸(mm) |
| DN |
50 |
65 |
80 |
100 |
125 |
150 |
200 |
250 |
300 |
|
J941H/Y-16C
J941W-16P/R
J941Y-16I |
1.6 |
L |
230 |
290 |
310 |
350 |
400 |
480 |
600 |
650 |
750 |
| H |
664 |
697 |
746 |
770 |
865 |
1060 |
1160 |
1143 |
1292 |
| W |
590 |
590 |
590 |
590 |
590 |
590 |
810 |
810 |
830 |
| 电装型号 |
DZW10A |
DZW10A |
DZW10A |
DZW15A |
DZW20A |
DZW30A |
DZW45A |
DZW60A |
DZW90 |
|
J941H/Y-25C
J941W-25P/R
J941Y-25I |
2.5 |
L |
230 |
290 |
310 |
350 |
400 |
480 |
600 |
650 |
750 |
| H |
664 |
697 |
746 |
770 |
865 |
1060 |
1160 |
1143 |
1292 |
| W |
590 |
590 |
590 |
590 |
590 |
810 |
810 |
830 |
830 |
| 电装型号 |
DZW10A |
DZW10A |
DZW15A |
DZW20A |
DZW30A |
DZW45A |
DZW60A |
DZW90 |
DZW120 |
|
J941H/Y-40C
J941W-40P/R
J941Y-40I |
4.0 |
L |
230 |
290 |
310 |
350 |
400 |
480 |
600 |
|
|
| H |
664 |
697 |
746 |
770 |
865 |
1060 |
1160 |
|
|
| W |
590 |
590 |
590 |
590 |
810 |
810 |
830 |
|
|
| 电装型号 |
DZW10A |
DZW10A |
DZW20A |
DZW30A |
DZW45A |
DZW60A |
DZW90 |
|
|
|
J941H/Y-64C
J941W-64P/R
J941Y-64I |
6.4 |
L |
300 |
340 |
380 |
430 |
500 |
550 |
650 |
|
|
| H |
715 |
760 |
905 |
975 |
1031 |
1660 |
1213 |
|
|
| W |
590 |
590 |
590 |
810 |
810 |
830 |
830 |
|
|
| 电装型号 |
DZW10A |
DZW15A |
DZW30A |
DZW45A |
DZW60A |
DZW90 |
DZW120 |
|
|
|
J941H/Y-100C
J941W-100P/R
J941Y-100I |
10.0 |
L |
300 |
340 |
380 |
430 |
500 |
550 |
650 |
|
|
| H |
715 |
760 |
905 |
975 |
1142 |
1240 |
1425 |
|
|
| W |
590 |
590 |
810 |
810 |
830 |
830 |
830 |
|
|
| 电装型号 |
DZW20A |
DZW30A |
DZW45A |
DZW60A |
DZW90 |
DZW120 |
DZW180 |
|
|
|
J941H/Y-160C
J941W-160P/R
J941Y-160I |
16.0 |
L |
300 |
340 |
380 |
430 |
500 |
550 |
650 |
|
|
| H |
562 |
743 |
820 |
935 |
1180 |
1290 |
1490 |
|
|
| W |
590 |
810 |
830 |
830 |
870 |
870 |
1075 |
|
|
| 电装型号 |
DZW30A |
DZW45A |
DZW90 |
DZW120 |
DZW180 |
DZW250 |
DZW350 |
|
| | |
|
|
|